+86-0523-83274900
اتصالات آداپتور استورز - ماشینو مرد
خانه / محصول / آداپتورها / اتصالات آداپتور استورز - ماشینو مرد

اتصالات آداپتور استورز - ماشینو مرد

از اتصالات آداپتور برای اتصال یا تبدیل بین استانداردهای مختلف و انواع اتصالات استفاده می شود. آنها اجازه می دهند رابط های ناسازگار در غیر این صورت به یکدیگر وصل شوند.

اتصالات آداپتور شامل: اما محدود به: آلمانی به استورز (مرد/زن) ، آلمانی به جنگلداری ، آلمانی به آلمانی به خود قفل ، آلمانی به فلنج ، آلمانی به چند دندان ، استورز مرد تا استورز ، استورز به جنگلداری و غیره.
انواع اتصالات آداپتور را می توان در صورت درخواست سفارشی کرد. $ $

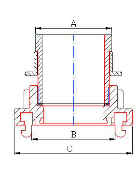
ابعاد منابع

مورد شماره

DIN/MM

دیا

A/mm

b/mm

ج/میلی متر

/

25/40

1 "/1.5"

29

53

82

25/50

1 "/2"

29

66

98

25/65

1 "/2.5"

29

76

110

25/80

1 "/3"

29

89

126

40/40

1.5 "/1.5"

43.6

53

82

40/50

1.5 "/2"

43.6

66

98

40/65

1.5 "/2.5"

43.6

76

110

40/80

1.5 "/3"

43.6

89

126

50/50

2 "/2"

55.6

66

98

50/65

2 "/2.5"

55.6

76

110

50/80

2 "/3"

55.6

89

126

65/65

2.5 "/2.5"

68.5

76

110

65/80

2.5 "/3"

68.5

89

126

80/80

3 "/3"

81.5

89

126

* مواد و فرآیندهای تولید در صورت درخواست قابل تنظیم هستند.
* سایر الزامات (مانند فشار کار ، فشار پشت سر هم و غیره) نیز می توانند در صورت لزوم سفارشی شوند. $ $

جیانگسو جیندینگ شرکت فناوری حفاظت از آتش ، آموزشی ویبولیتین
Jiangsu Jinding Fire Protection Technology Technology ، Ltd. ، واقع در منطقه توسعه اقتصادی جیانگ سو Xinghua ، در سال 1998 تأسیس شد. این یک شرکت صنعتی است که یکپارچه سازی طراحی ، توسعه ، تولید و فروش است. این شرکت ISO9001: 2015 صدور گواهینامه سیستم کیفیت و صدور گواهینامه داوطلبانه محصول را تصویب کرده است ، و محصولات مرتبط گزارش بازرسی از مرکز نظارت بر کیفیت و بازرسی تجهیزات ملی آتش نشانی را به دست آورده اند.
شرکت ما عمدتاً چندین سری محصول از جمله کوپلینگ‌های آتش‌نشانی، نازل‌های آب، شیرهای آتش‌نشانی، کوپلینگ‌های لوله با قطر بزرگ و کوپلینگ‌های آبرسانی میدان نفتی تولید می‌کند. این محصولات به طور گسترده در صنایع آتش‌نشانی، نفت، شیمیایی، نظامی و سایر صنایع مورد استفاده قرار می‌گیرند.
این شرکت قابلیت تحقیق و توسعه مستقل خوبی دارد و مجموعه کاملی از فرآیندهای تولید مانند تولید قالب ، پردازش تولید و آزمایش محصول را دارد. در عین حال ، این شرکت به الزامات مشتریان اهمیت می دهد ، به موقع پویایی بازار را درک می کند ، به طور مداوم محصولات جدیدی را تولید می کند و تولید می کند و اعتماد و ستایش مشتریان جدید و قدیمی را کسب می کند.
این شرکت خدمات قابل اعتماد و حرفه‌ای را بر اساس تعهد به کیفیت و مشارکت‌های مشترک ارائه می‌دهد و در تلاش است تا روابط همکاری پایدار با مشتریان ایجاد کند.
27+

27 سال صنعت تجربه ساخت

گواهینامه ها
خبر
بیایید مکالمه کنیم
فقط سلام کنید و ما همکاری مثمر ثمر خواهیم داشت. داستان موفقیت خود را شروع کنید.
برای تجارت خود به تجهیزات نیاز دارید؟
بگذارید تیم ما راه حل های سفارشی را برای شما ارائه دهد.