+86-0523-83274900
کوپلینگ قفل شده استورز

کوپلینگ قفل شده استورز

اتصال اتصال Threaded Storz متعلق به سری اتصال استورز است که یک پایان آن دارای یک است موضوع داخلی یا خارجی و پایان دیگر داشتن اتصال قفل استورز.
این جفت استفاده می شود شیلنگ های آتش و تجهیزات آتش نشانی را وصل کنید (مانند پمپ های آتش نشانی ، شیلنگ های آتش و هیدرنت های آتش).
این سری در درجه اول در اندازه های بزرگ موجود است ، در حالی که اندازه های کوچکتر در صورت درخواست قابل تنظیم است. $ $

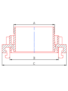
ابعاد منابع

مورد شماره

DIN/MM

دیا

A/mm

b/mm

ج/میلی متر

/

100

4 "

M100*3

115

156

125

5

M125*3

148

196

150

6 "

M145*3

160

215

200

8

M200*4

220

280

250

10 "

M255*4

278

339

300 (3teeth)

12

M290*4

316

384

350

14 "

M350*4

336

448

* مواد و فرآیندهای تولید در صورت درخواست قابل تنظیم هستند.
* سایر الزامات (مانند فشار کار ، فشار پشت سر هم و غیره) نیز می توانند در صورت لزوم سفارشی شوند. $ $

جیانگسو جیندینگ شرکت فناوری حفاظت از آتش ، آموزشی ویبولیتین
Jiangsu Jinding Fire Protection Technology Technology ، Ltd. ، واقع در منطقه توسعه اقتصادی جیانگ سو Xinghua ، در سال 1998 تأسیس شد. این یک شرکت صنعتی است که یکپارچه سازی طراحی ، توسعه ، تولید و فروش است. این شرکت ISO9001: 2015 صدور گواهینامه سیستم کیفیت و صدور گواهینامه داوطلبانه محصول را تصویب کرده است ، و محصولات مرتبط گزارش بازرسی از مرکز نظارت بر کیفیت و بازرسی تجهیزات ملی آتش نشانی را به دست آورده اند.
شرکت ما عمدتاً چندین سری محصول از جمله کوپلینگ‌های آتش‌نشانی، نازل‌های آب، شیرهای آتش‌نشانی، کوپلینگ‌های لوله با قطر بزرگ و کوپلینگ‌های آبرسانی میدان نفتی تولید می‌کند. این محصولات به طور گسترده در صنایع آتش‌نشانی، نفت، شیمیایی، نظامی و سایر صنایع مورد استفاده قرار می‌گیرند.
این شرکت قابلیت تحقیق و توسعه مستقل خوبی دارد و مجموعه کاملی از فرآیندهای تولید مانند تولید قالب ، پردازش تولید و آزمایش محصول را دارد. در عین حال ، این شرکت به الزامات مشتریان اهمیت می دهد ، به موقع پویایی بازار را درک می کند ، به طور مداوم محصولات جدیدی را تولید می کند و تولید می کند و اعتماد و ستایش مشتریان جدید و قدیمی را کسب می کند.
این شرکت خدمات قابل اعتماد و حرفه‌ای را بر اساس تعهد به کیفیت و مشارکت‌های مشترک ارائه می‌دهد و در تلاش است تا روابط همکاری پایدار با مشتریان ایجاد کند.
27+

27 سال صنعت تجربه ساخت

گواهینامه ها
خبر
بیایید مکالمه کنیم
فقط سلام کنید و ما همکاری مثمر ثمر خواهیم داشت. داستان موفقیت خود را شروع کنید.
برای تجارت خود به تجهیزات نیاز دارید؟
بگذارید تیم ما راه حل های سفارشی را برای شما ارائه دهد.